谐波减速器是一种体积小、重量轻、结构简单的新兴机械转动变形机构,利用行星齿轮转动原理,具备承载能力强、转动效率高、减速比大的特性。机床、机器人、电子设备、化工机械等领域得到应用。

谐波减速器是一种广泛应用于各种传动系统的精密配件,具有结构紧凑、减速比大、精度高。另一方面,谐波传动装置波发生器、柔轮和刚轮之间的装配精度要求直接影响减速器的输出性能,精度越好,传递运动力量越平衡,振动越小,噪音也越小。
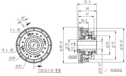
测量时要使用精密设备对下图测量重点进行检测。假如需要在高精度的基础上提升检测效率,那么可以搭配协作机器人完成自动化测量方案。为此思瑞设计了一款检测方案,配合Rational-dmis软件强大的二次开发功能,上下料、测量、输出报告都能自动完成,非常高效。

测量过程
第一步需要我们先做好测量准备,调试好机器人及完成三坐标测量程序编程。
随后机器人便会从料架待测产品区抓取防止三坐标工作台测量,三坐标自动完成测量并自动输出报告,机器人根据测量报告将工件OK/NG区域。接着循环执行机器人取料——自动测量输出报告——机器人根据报告将工件放在OK/NG区域这三步骤,完成自动高效测量。
这份自动化方案不仅解决了谐波减速器检测精度与效率两大痛点,而且测量数据稳定,精确度和重复度都高,适合大批量工件检测,同时还能与与ERP/MES管理系统无缝连接,以便处理后续数据。

通过对协作机器人加持部分改造及Rational-dmis软件强大的二次开发功能,实现了谐波减速器自动化解决方案,除此之外,思瑞还有电极三坐标自动化检测等方案。未来思瑞将根据行业及市场发展,推出更多自动化检测方案,助力相关企业实现智慧测量的目标。
返回顶部